Previous Page Next Page
 
|  Back to main page  |  Products page  |  Contact  |  Catalog Table of Contents
 
   CB Compact Enclosures
 
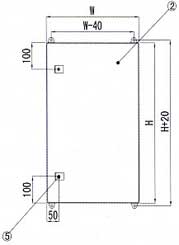
Main structure:
1. Body
2. Door
3. Mounting plate
4. Mounting entrance plate
5. Lock
6. Braket
 
Main dimension:
Front (without front door) Front Side
Bottom (without cover) Top Enlareg part C
Inside of door Back Mounting plate
Previous Page Next Page