Previous Page Next Page
 
|  Back to main page  |  Products page  |  Contact  |  Catalog Table of Contents
 
   Width 600mm TD Network Cabinets
 
Main dimension:




Front (without front door) Front Side Back




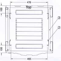
Mounting dimension Top A-A Section  
 
Main parts :
S/N Specification Quantity Unit Material Surface finish Remark
1 Front frame 1 Piece SPCC cold rolled steel t1.2 Powder coat ---
2 Mounting rail 4 Piece SPCC cold rolled steel t2.0 Powder coat ---
3 Mounting angle 6 Piece SPCC cold rolled steel t1.5 Powder coat 4pcs for lower 32U
4 Spring lock 2 Piece --- Black With 2 keys
5 Arc reticular high-density vented front door 1 Piece SPCC cold rolled steel t1.2 Powder coat ---
6 2" castor 4 Piece --- --- ---
7 Frame 2 Set SPCC cold rolled steel t1.2 Powder coat ---
8 Side door 2 Piece SPCC cold rolled steel t1.2 Powder coat ---
9 High-density vented rear door 1 Piece SPCC cold rolled steel t1.2 Powder coat ---
10 Bottom frame 1 Piece SPCC cold rolled steel t1.2 Powder coat ---
11 M6 B-head screw 20 Piece Steel Color Zinc 40pcs for above 32U
12 M6 sqare nut 20 Piece Steel Color Zinc 40pcs for above 32U
13 Inner 6-angle wrench 1 Piece Steel Black ---
14 M12 feet 4 Piece --- --- ---
Previous Page Next Page